limite, interruptor de colisão







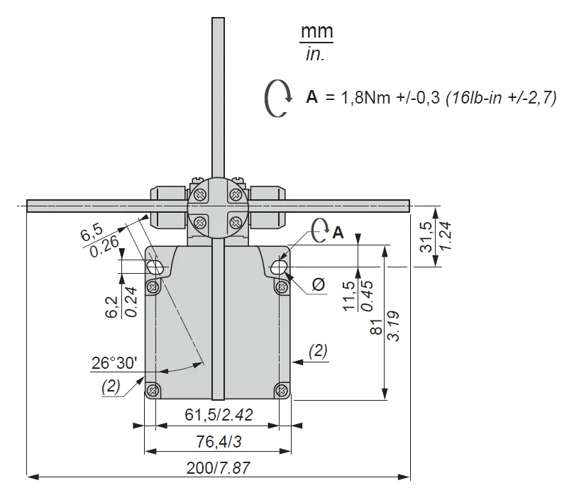
Interruptor de limite com cabeça giratória e alavanca cruzada








A CRP.ASSISTÊNCIA TÉCNICA E VENDA possui uma ampla estrutura técnica de serviços e manutenção, preparada para efetuar manutenção, reparos e revisões em todos os produtos que comercializa. Possuímos assistências no Paraná, São Paulo, Bahia e Espírito Santo,Rio de Janeiro, sendo um dos nossos grandes diferenciais, sem contar o amplo estoque de peças de reposição para execução dos serviços, além de possuir uma área específica de Pós-Vendas para atender os clientes nas suas mais variadas situações e necessidade